h1_key

TI(德州仪器) CD54HCT165
德州仪器 (TI) 全系列产品在线购买
  • TI(德州仪器) CD54HCT165
  • TI(德州仪器) CD54HCT165
  • TI(德州仪器) CD54HCT165
  • TI(德州仪器) CD54HCT165
  • TI(德州仪器) CD54HCT165
  • TI(德州仪器) CD54HCT165
立即查看
您当前的位置: 首页 > 逻辑和电压转换 > 触发器、锁存器和寄存器 > 移位寄存器 > CD54HCT165
CD54HCT165

CD54HCT165

正在供货

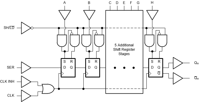
高速 CMOS 逻辑 8 位并行输入/串行输出移位寄存器

产品详情
  • 说明
  • 特性
  • 参数
  • 封装 | 引脚 | 尺寸
ConfigurationParallel-in, Serial-out
Bits (#)8
Technology familyHCT
Supply voltage (min) (V)4.5
Supply voltage (max) (V)5.5
Input typeTTL-Compatible CMOS
Output typePush-Pull
Clock frequency (MHz)24
IOL (max) (mA)4
IOH (max) (mA)-4
Supply current (max) (µA)160
FeaturesBalanced outputs, High speed (tpd 10-50ns), Positive input clamp diode
Operating temperature range (°C)-55 to 125
RatingMilitary
CDIP (J)16135.3552 mm² 19.56 x 6.92
产品购买
  • 商品型号
  • 封装
  • 工作温度
  • 包装
  • 价格
  • 现货库存
  • 操作

很抱歉,暂时无法提供与“CD54HCT165”系列相匹配的产品,您可以联系专属客服快速找货或在现货搜索框中重新搜索。

10s
温馨提示:
订单商品问题请移至我的售后服务提交售后申请,其他需投诉问题可移至我的投诉提交,我们将在第一时间给您答复
返回顶部