h1_key

TI(德州仪器) INA296B-Q1
德州仪器 (TI) 全系列产品在线购买
  • TI(德州仪器) INA296B-Q1
  • TI(德州仪器) INA296B-Q1
  • TI(德州仪器) INA296B-Q1
  • TI(德州仪器) INA296B-Q1
  • TI(德州仪器) INA296B-Q1
  • TI(德州仪器) INA296B-Q1
立即查看
您当前的位置: 首页 > 放大器 > 电流检测放大器 > 模拟电流检测放大器 > INA296B-Q1
INA296B-Q1

INA296B-Q1

正在供货

符合 AEC-Q100 标准的 -5V 至 110V、双向、1.1MHz、8V/µs、高精度电流检测放大器

产品详情
  • 说明
  • 特性
  • 参数
  • 封装 | 引脚 | 尺寸

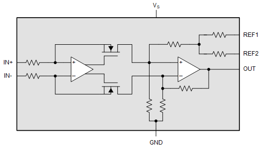
INA296x-Q1 是一款超精密双向电流检测放大器,可在 -5 V 至 110V 的宽共模范围内测量分流电阻器上的压降,与电源电压无关。该器件在 ±10µV(最大值)的低失调电压、±0.01%(最大值)的小增益误差和 166dB(典型值)的高直流 CMRR 等特性的综合作用下,可实现高精度电流测量。 INA296x-Q1 拥有 1.1MHz 的高信号带宽和快速稳定时间,不仅适用于高压双向直流电流测量,还适用于高速应用(例如,瞬态检测和快速过流保护)。

INA296x-Q1 由 2.7V 至 20V 的单电源供电,消耗 2.5mA 的电源电流。 INA296x-Q1 有五个增益选项:10V/V、20V/V、50V/V、100V/V 和 200V/V。运用多个增益选项,可实现在可用的分流电阻值和宽输出动态范围要求之间进行优化。

INA296x-Q1 的额定工作温度范围为 -40°C 至 +125°C。

  • 符合面向汽车应用的 AEC-Q100 标准:
    • 温度等级 1:-40°C 至 +125°C,T A
  • 功能安全型
    • 可提供用于功能安全系统设计的文档
  • 宽共模电压:
    • 工作电压:-5 V 至 +110 V
    • 可承受电压:-20 V 至 +120 V
  • 双向运行
  • 较高的小信号带宽:1.1 MHz(在所有增益下)
  • 压摆率:8 V/µs
  • 阶跃响应稳定时间为 1%:1 µs
  • 出色的共模抑制比 (CMRR) :166 dB
  • 精度:
    • 增益误差(最大值)
      • 版本 A:±0.01%,±1ppm/°C 漂移
      • 版本 B:±0.1%,±5ppm/°C 漂移
    • 失调电压(最大值)
      • 版本 A:±10 µV,±0.1 µV/°C 漂移
      • 版本 B:±150 µV,±0.5 µV/°C 漂移
  • 可用增益:
    • INA296A1-Q1:10 V/V
    • INA296A2-Q1:20 V/V
    • INA296A3-Q1:50 V/V
    • INA296A4-Q1:100 V/V
    • INA296A5-Q1:200 V/V
  • 封装选项:SOT23-8、VSSOP-8、SOIC-8、VSSOP-10
Product typeAnalog output
Common-mode voltage (max) (V)110
Common-mode voltage (min) (V)-5
Input offset (±) (max) (µV)150
Input offset drift (±) (typ) (µV/°C)0.5
Voltage gain (V/V)10, 20, 50, 100, 200
CMRR (min) (dB)120
Bandwidth (kHz)1000, 1100
Supply voltage (max) (V)20
Supply voltage (min) (V)2.7
Iq (max) (mA)3.2
Number of channels1
Comparators (#)0
Gain error (%)0.1
Gain error drift (±) (max) (ppm/°C)5
Slew rate (V/µs)8
FeaturesBi-directional, Bidirectional, High precision, Low-side Capable
RatingAutomotive
TI functional safety categoryFunctional Safety-Capable
Operating temperature range (°C)-40 to 125
SOT-23-THN (DDF)88.12 mm² 2.9 x 2.8
VSSOP (DGK)814.7 mm² 3 x 4.9
产品购买
  • 商品型号
  • 封装
  • 工作温度
  • 包装
  • 价格
  • 现货库存
  • 操作

很抱歉,暂时无法提供与“INA296B-Q1”系列相匹配的产品,您可以联系专属客服快速找货或在现货搜索框中重新搜索。

10s
温馨提示:
订单商品问题请移至我的售后服务提交售后申请,其他需投诉问题可移至我的投诉提交,我们将在第一时间给您答复
返回顶部