h1_key

TI(德州仪器) INA128-HT
德州仪器 (TI) 全系列产品在线购买
  • TI(德州仪器) INA128-HT
  • TI(德州仪器) INA128-HT
  • TI(德州仪器) INA128-HT
  • TI(德州仪器) INA128-HT
  • TI(德州仪器) INA128-HT
  • TI(德州仪器) INA128-HT
立即查看
您当前的位置: 首页 > 放大器 > 仪表放大器 > INA128-HT
INA128-HT

INA128-HT

正在供货

高温精密低功耗仪表放大器。

产品详情
  • 说明
  • 特性
  • 参数
  • 封装 | 引脚 | 尺寸

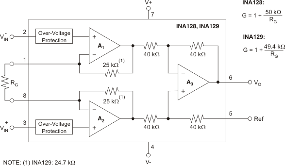
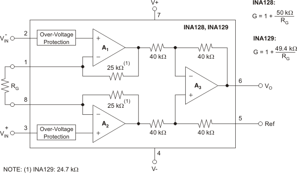
The INA128-HT and INA129-HT are low-power, general-purpose instrumentation amplifiers offering excellent accuracy. The versatile three-operational-amplifier design and small size make them ideal for a wide range of applications. Current-feedback input circuitry provides wide bandwidth even at high gain. A single external resistor sets any gain from 1 to 10000. The INA128-HT provides an industry-standard gain equation; the INA129-HT gain equation is compatible with the AD620.

The INA128-HT and INA129-HT are laser trimmed for very low offset voltage (25 µV Typ) and high common-mode rejection (93 dB at G ≥ 100). These devices operate with power supplies as low as ±2.25 V, and quiescent current of 2 mA, typically. Internal input protection can withstand up to ±40 V without damage.

Texas Instruments' high-temperature products use highly optimized silicon (die) solutions with design and process enhancements to maximize performance over extended temperatures.

The INA129-HT is available in 8-pin ceramic DIP and 8-pin ceramic surface-mount packages, specified for the –55°C to 210°C temperature range. The INA128-HT is available in an 8-pin SOIC-8 surface-mount package, specified for the –55°C to 175°C temperature range.

  • Low Offset Voltage: 25 uV Typical
  • Low Input Bias Current: 50 nA Typical(1)
  • High CMR: 95 dB Typical(1)
  • Inputs Protected to ±40 V
  • Wide Supply Range: ±2.25 V to ±18 V
  • Low Quiescent Current: 2 mA Typical(1)
  • APPLICATIONS
    • Bridge Amplifiers
    • Thermocouple Amplifiers
    • RTD Sensor Amplifiers
    • Medical Instrumentation
    • Data Acquisition
    • Supports Extreme Temperature Applications:
      • Controlled Baseline
      • One Assembly/Test Site
      • One Fabrication Site
      • Available in Extreme Temperature Ranges
        (–55°C to 210°C)(2)
      • Extended Product Life Cycle
      • Extended Product-Change Notification
      • Product Traceability

(1) Typical values for 210°C application.
(2) Custom temperature ranges available.
All other trademarks are the property of their respective owners

Number of channels1
Vs (max) (V)36
Vs (min) (V)4.5
Input offset (±) (max) (µV)125
Voltage gain (min) (V/V)1
Voltage gain (max) (V/V)10000
Noise at 1 kHz (typ) (nV√Hz)8
FeaturesCurrent Feedback, Overvoltage protection
CMRR (min) (dB)113
Input offset drift (±) (max) (V/°C)0.000001
Input bias current (±) (max) (nA)10
Iq (typ) (mA)0.7
Bandwidth at min gain (typ) (MHz)1.3
Gain error (±) (max) (%)0.7
Operating temperature range (°C)-55 to 175
RatingHigh Temp
TypeResistor
Gain nonlinearity (±) (max) (%)0.002
Output swing headroom (to negative supply) (typ) (V)0.8
Output swing headroom (to positive supply) (typ) (V)-0.9
Input common mode headroom (to negative supply) (typ) (V)1.7
Input common mode headroom (to positive supply) (typ) (V)-1.4
Noise at 0.1 Hz to 10 Hz (typ) (µVPP)0.2
SOIC (D)829.4 mm² 4.9 x 6
产品购买
  • 商品型号
  • 封装
  • 工作温度
  • 包装
  • 价格
  • 现货库存
  • 操作
10s
温馨提示:
订单商品问题请移至我的售后服务提交售后申请,其他需投诉问题可移至我的投诉提交,我们将在第一时间给您答复
返回顶部