h1_key

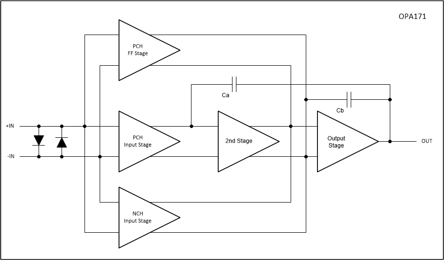
TI(德州仪器) OPA171
德州仪器 (TI) 全系列产品在线购买
  • TI(德州仪器) OPA171
  • TI(德州仪器) OPA171
  • TI(德州仪器) OPA171
  • TI(德州仪器) OPA171
  • TI(德州仪器) OPA171
  • TI(德州仪器) OPA171
立即查看
您当前的位置: 首页 > 放大器 > 运算放大器 (op amps) > 通用运算放大器 > OPA171
OPA171

OPA171

正在供货

单路、36V、3MHz、低功耗运算放大器

产品详情
  • 说明
  • 特性
  • 参数
  • 封装 | 引脚 | 尺寸
Number of channels1
Total supply voltage (+5 V = 5, ±5 V = 10) (max) (V)36
Total supply voltage (+5 V = 5, ±5 V = 10) (min) (V)2.7
Rail-to-railIn to V-, Out
GBW (typ) (MHz)3
Slew rate (typ) (V/µs)1.5
Vos (offset voltage at 25°C) (max) (mV)1.8
Iq per channel (typ) (mA)0.475
Vn at 1 kHz (typ) (nV√Hz)14
RatingCatalog
Operating temperature range (°C)-40 to 125
Offset drift (typ) (µV/°C)0.3
FeaturesEMI Hardened, Small Size
Input bias current (max) (pA)15
CMRR (typ) (dB)120
Iout (typ) (A)0.025
ArchitectureCMOS
Input common mode headroom (to negative supply) (typ) (V)-0.1
Input common mode headroom (to positive supply) (typ) (V)-2
Output swing headroom (to negative supply) (typ) (V)0.03
Output swing headroom (to positive supply) (typ) (V)-0.35
SOIC (D)829.4 mm² 4.9 x 6
SOT-23 (DBV)58.12 mm² 2.9 x 2.8
SOT-5X3 (DRL)52.56 mm² 1.6 x 1.6
产品购买
  • 商品型号
  • 封装
  • 工作温度
  • 包装
  • 价格
  • 现货库存
  • 操作
10s
温馨提示:
订单商品问题请移至我的售后服务提交售后申请,其他需投诉问题可移至我的投诉提交,我们将在第一时间给您答复
返回顶部