h1_key

TI(德州仪器) LMV7231
德州仪器 (TI) 全系列产品在线购买
  • TI(德州仪器) LMV7231
  • TI(德州仪器) LMV7231
  • TI(德州仪器) LMV7231
  • TI(德州仪器) LMV7231
  • TI(德州仪器) LMV7231
  • TI(德州仪器) LMV7231
立即查看
您当前的位置: 首页 > 放大器 > 比较器 > LMV7231
LMV7231

LMV7231

正在供货

精密微功耗十六路比较器

产品详情
  • 说明
  • 特性
  • 参数
  • 封装 | 引脚 | 尺寸

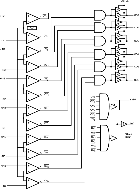
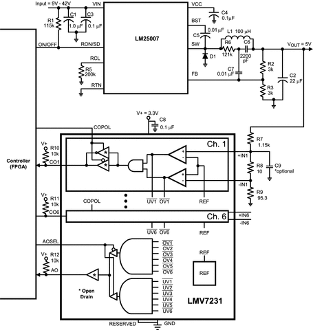
The LMV7231 device is a 1.5% accurate Hex Window Comparator which can be used to monitor power supply voltages or any other analog output, such as an analog temperature sensor or current-sense amplifier. The device uses an internal 400-mV reference for the comparator trip value. The comparator set points can be set through external resistor dividers. The LMV7231 has 6 outputs (CO1 to CO6) that signal an undervoltage or overvoltage event for each power supply input. An output (AO) is also provided to signal when any of the power supply inputs have an overvoltage or undervoltage event. This ability to signal an undervoltage or overvoltage event for the individual power supply inputs, in addition to an output to signal such an event on any of the power supply inputs, adds unparalleled system protection capability.

The 2.2-V to 5.5-V power supply voltage range, low supply current, and input or output voltage range above V+ make the LMV7231 ideal for a wide range of power supply monitoring applications. Operation is ensured over the –40°C to +125°C temperature range. The device is available in a 24-pin WQFN package.

  • (For VS = 3.3 V ±10%, Typical Unless Otherwise
    Noted)
  • Undervoltage and Overvoltage Detection
  • High Accuracy Voltage Reference: 400 mV
  • Threshold Accuracy: ±1.5% (Maximum)
  • Wide Supply Voltage Range 2.2 V to 5.5 V
  • Input and Output Voltage Range Above V+
  • Internal Hysteresis: 6 mV
  • Propagation Delay: 2.6 µs to 5.6 µs
  • Supply Current 7.7 µA Per Channel
  • 24-Lead WQFN Package
  • Temperature Range: –40°C to +125°C
Number of channels6
Output typeOpen-collector, Open-drain
Propagation delay time (µs)5.6
Vs (max) (V)5.5
Vs (min) (V)2.2
Vos (offset voltage at 25°C) (max) (mV)6
Iq per channel (typ) (mA)0.0076
Input bias current (±) (max) (nA)5
Rail-to-railIn
RatingCatalog
Operating temperature range (°C)-40 to 125
FeaturesHysteresis, Internal Reference
VICR (max) (V)5.5
VICR (min) (V)-0.3
WQFN (RTW)2416 mm² 4 x 4
产品购买
  • 商品型号
  • 封装
  • 工作温度
  • 包装
  • 价格
  • 现货库存
  • 操作
10s
温馨提示:
订单商品问题请移至我的售后服务提交售后申请,其他需投诉问题可移至我的投诉提交,我们将在第一时间给您答复
返回顶部