h1_key

TI(德州仪器) LMP8602-Q1
德州仪器 (TI) 全系列产品在线购买
  • TI(德州仪器) LMP8602-Q1
  • TI(德州仪器) LMP8602-Q1
  • TI(德州仪器) LMP8602-Q1
  • TI(德州仪器) LMP8602-Q1
  • TI(德州仪器) LMP8602-Q1
  • TI(德州仪器) LMP8602-Q1
立即查看
您当前的位置: 首页 > 放大器 > 电流检测放大器 > 模拟电流检测放大器 > LMP8602-Q1
LMP8602-Q1

LMP8602-Q1

正在供货

具有直列式滤波器功能的 AEC-Q100、-22V 至 60V、双向电流感应放大器

产品详情
  • 说明
  • 特性
  • 参数
  • 封装 | 引脚 | 尺寸

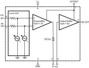
LMP8601、LMP8602、LMP8603 (LMP860x) 和 LMP8601-Q1、LMP8602-Q1、LMP8603-Q1 (LMP860x-Q1) 器件均为增益固定的精密电流感测放大器(也称分流监测计)。当由 5V 或 3.3V 单电源供电时,输入共模电压范围分别为 –22V 至 +60V 和 –4V 至 +27V。LMP860x 和 LMP860x-Q1 是单向和双向电流感测 应用的理想元件。。

此类器件的精密增益分别为 20x (LPM8601 和 LPM8601-Q1)、50x(LPM8602 和 LPM8602-Q1)和 100x(LPM8603 和 LPM8603-Q1),足以满足多数目标 应用 将模数转换器 (ADC) 驱动至满量程值的要求。固定增益在两个独立级中实现,包括增益为 10x 的前置放大器和增益为 2x(LMP8601 和 LMP8601-Q1)、5x(LMP8602 和 LMP8602-Q1)或 10x(LMP8603 和 LMP8603-Q1)的输出级缓冲放大器。连接两级的路径通过两引脚引出,支持选择使用附加滤波器网络或修改增益。

偏移输入引脚允许此类器件执行单向或双向单电源电压电流感测。

LMP860x-Q1 器件采用增强型制造与支持工艺,适用于汽车市场,符合 AEC-Q100 标准。

  • 增益 = 20x(LMP8601 和 LMP8601-Q1)
  • 增益 = 50x(LMP8602 和 LMP8602-Q1)
  • 增益 = 100x(LMP8603 和 LMP8603-Q1)
  • TCVOS:10µV/°C(最大值)
  • 共模抑制比 (CMRR):90dB(最小值)
  • 输入偏移电压:1mV(典型值)
  • VS = 3.3V 时的共模电压范围 (CMVR):-4V 至 27V
  • VS = 5V 时的 CMVR:–22V 至 60V
  • 单电源双向供电运行
  • 所有最小和最大限值完全经过测试
  • 符合汽车类应用的 Q1 器件
  • Q1 器件具有符合 ACE-Q100 标准的下列结果:
    • 器件温度等级 1:环境运行温度范围为 -40°C 至 125°C
    • 器件温度等级 0:-40°C 至 150°C(仅限 LMP8601EDRQ1)
    • 器件人体模型 (HBM) 静电放电 (ESD) 分类等级 2
      (输入电流为 3A)
    • 器件带电器件模型 (CDM) ESD 分类等级 C6
    • 器件机器模型 (MM) ESD 分类等级 M2
Product typeAnalog output
Common-mode voltage (max) (V)60
Common-mode voltage (min) (V)-22
Input offset (±) (max) (µV)1000
Input offset drift (±) (typ) (µV/°C)2
Voltage gain (V/V)50
CMRR (min) (dB)90
Bandwidth (kHz)60
Supply voltage (max) (V)5.5
Supply voltage (min) (V)3
Iq (max) (mA)1.5
Number of channels1
Comparators (#)0
Gain error (%)0.5
Gain error drift (±) (max) (ppm/°C)20
Slew rate (V/µs)0.4
FeaturesBidirectional, Low-side Capable
RatingAutomotive
Operating temperature range (°C)-40 to 125
SOIC (D)829.4 mm² 4.9 x 6
VSSOP (DGK)814.7 mm² 3 x 4.9
产品购买
  • 商品型号
  • 封装
  • 工作温度
  • 包装
  • 价格
  • 现货库存
  • 操作
10s
温馨提示:
订单商品问题请移至我的售后服务提交售后申请,其他需投诉问题可移至我的投诉提交,我们将在第一时间给您答复
返回顶部