h1_key

TI(德州仪器) CD54HCT574
德州仪器 (TI) 全系列产品在线购买
  • TI(德州仪器) CD54HCT574
  • TI(德州仪器) CD54HCT574
  • TI(德州仪器) CD54HCT574
  • TI(德州仪器) CD54HCT574
  • TI(德州仪器) CD54HCT574
  • TI(德州仪器) CD54HCT574
立即查看
您当前的位置: 首页 > 逻辑和电压转换 > 触发器、锁存器和寄存器 > D 型触发器 > CD54HCT574
CD54HCT574

CD54HCT574

正在供货

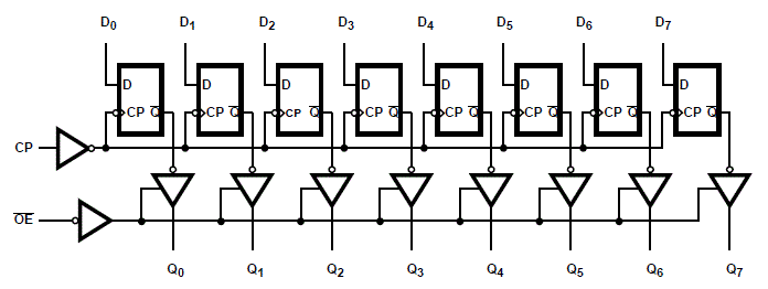
具有三态输出的高速 CMOS 逻辑八路上升沿 D 类触发器

产品详情
  • 说明
  • 特性
  • 参数
  • 封装 | 引脚 | 尺寸
  • 缓冲输入
  • 通用三态输出使能控制
  • 三态输出
  • 总线驱动能力
  • 当 VCC = 5V,CL = 15pF, TA = 25℃ 时的传播延迟典型值(时钟到 Q)= 15ns
  • 扇出(在温度范围内)
    • 标准输出:10 个 LSTTL 负载
    • 总线驱动器输出:15 个 LSTTL 负载
  • 宽工作温度范围:–55℃ 至 125℃
  • 平衡的传播延迟及转换时间
  • 与 LSTTL 逻辑 IC 相比,功耗显著降低
  • HC 类型
    • 2V 至 6V 工作电压
    • 高抗噪性:当 VCC = 5V 时,NIL = 30%,NIH = VCC 的 30%
  • HCT 类型
    • 4.5V 至 5.5V 工作电压
    • 直接 LSTTL 输入逻辑兼容性, VIL = 0.8V(最大值),VIH = 2V(最小值)
    • CMOS 输入兼容性,当电压为 VOL、VOH 时,II ≤ 1µA
Number of channels8
Technology familyHCT
Supply voltage (min) (V)4.5
Supply voltage (max) (V)5.5
Input typeTTL-Compatible CMOS
Output type3-State
Clock frequency (max) (MHz)13
IOL (max) (mA)6
IOH (max) (mA)-6
Supply current (max) (µA)160
FeaturesBalanced outputs, High speed (tpd 10-50ns), Positive input clamp diode
Operating temperature range (°C)-55 to 125
RatingMilitary
CDIP (J)20167.464 mm² 24.2 x 6.92
产品购买
  • 商品型号
  • 封装
  • 工作温度
  • 包装
  • 价格
  • 现货库存
  • 操作

很抱歉,暂时无法提供与“CD54HCT574”系列相匹配的产品,您可以联系专属客服快速找货或在现货搜索框中重新搜索。

10s
温馨提示:
订单商品问题请移至我的售后服务提交售后申请,其他需投诉问题可移至我的投诉提交,我们将在第一时间给您答复
返回顶部