h1_key

TI(德州仪器) SN74HC251
德州仪器 (TI) 全系列产品在线购买
  • TI(德州仪器) SN74HC251
  • TI(德州仪器) SN74HC251
  • TI(德州仪器) SN74HC251
  • TI(德州仪器) SN74HC251
  • TI(德州仪器) SN74HC251
  • TI(德州仪器) SN74HC251
立即查看
您当前的位置: 首页 > 逻辑和电压转换 > 专用逻辑 IC > 数字多路复用器和编码器 > SN74HC251
SN74HC251

SN74HC251

正在供货

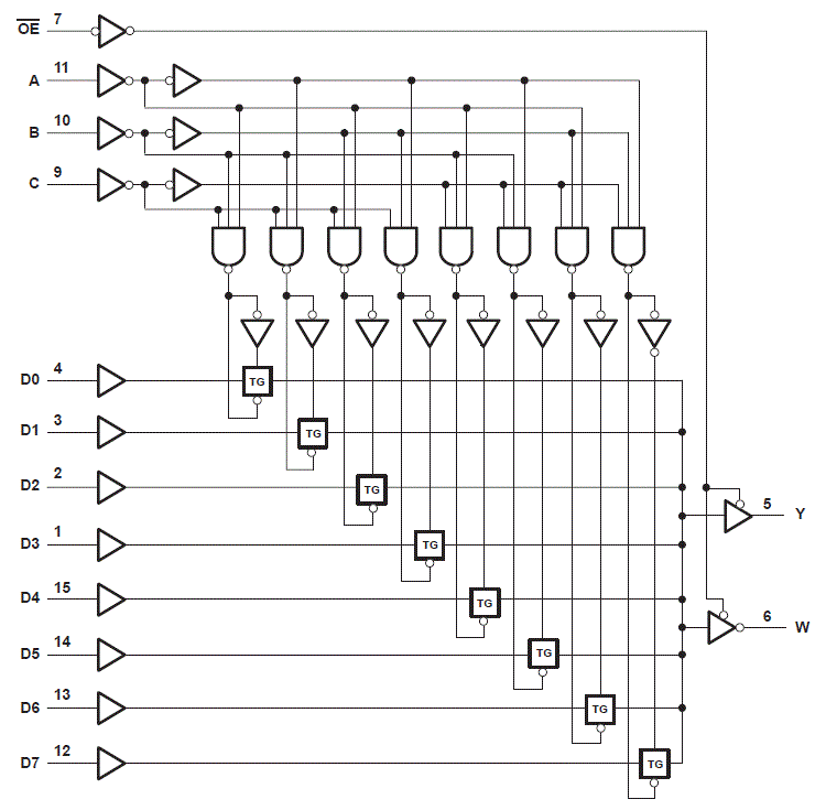
具有三态输出的数据选择器/多路复用器

产品详情
  • 说明
  • 特性
  • 参数
  • 封装 | 引脚 | 尺寸
Technology familyHC
FunctionDigital Multiplexer
Configuration8
Number of channels1
Operating temperature range (°C)-40 to 85
RatingCatalog
PDIP (N)16181.42 mm² 19.3 x 9.4
SOIC (D)1659.4 mm² 9.9 x 6
SOP (NS)1679.56 mm² 10.2 x 7.8
SSOP (DB)1648.36 mm² 6.2 x 7.8
TSSOP (PW)1632 mm² 5 x 6.4
产品购买
  • 商品型号
  • 封装
  • 工作温度
  • 包装
  • 价格
  • 现货库存
  • 操作
10s
温馨提示:
订单商品问题请移至我的售后服务提交售后申请,其他需投诉问题可移至我的投诉提交,我们将在第一时间给您答复
返回顶部