h1_key

TI(德州仪器) CD74HCT74
德州仪器 (TI) 全系列产品在线购买
  • TI(德州仪器) CD74HCT74
  • TI(德州仪器) CD74HCT74
  • TI(德州仪器) CD74HCT74
  • TI(德州仪器) CD74HCT74
  • TI(德州仪器) CD74HCT74
  • TI(德州仪器) CD74HCT74
立即查看
您当前的位置: 首页 > 逻辑和电压转换 > 触发器、锁存器和寄存器 > D 型触发器 > CD74HCT74
CD74HCT74

CD74HCT74

正在供货

具有设置和复位功能的高速 CMOS 逻辑双通道上升沿 D 触发器

产品详情
  • 说明
  • 特性
  • 参数
  • 封装 | 引脚 | 尺寸

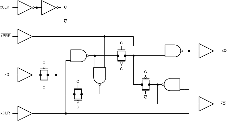
The CDx4HCT74-Q1 devices contain two independent D-type positive-edge-triggered flip-flops with asynchronous preset and clear pins for each.

  • LSTTL input logic compatible
    • VIL(max) = 0.8 V, VIH(min) = 2 V
  • CMOS input logic compatible
    • II ≤ 1 µA at VOL, VOH
  • Buffered inputs
  • 4.5 V to 5.5 V operation
  • Wide operating temperature range: -55°C to +125°C
  • Supports fanout up to 10 LSTTL loads
  • Significant power reduction compared to LSTTL logic ICs
Number of channels2
Technology familyHCT
Supply voltage (min) (V)4.5
Supply voltage (max) (V)5.5
Input typeTTL-Compatible CMOS
Output typePush-Pull
Clock frequency (max) (MHz)25
IOL (max) (mA)4
IOH (max) (mA)-4
Supply current (max) (µA)40
FeaturesBalanced outputs, High speed (tpd 10-50ns), Positive input clamp diode
Operating temperature range (°C)-55 to 125
RatingCatalog
PDIP (N)14181.42 mm² 19.3 x 9.4
SOIC (D)1451.9 mm² 8.65 x 6
产品购买
  • 商品型号
  • 封装
  • 工作温度
  • 包装
  • 价格
  • 现货库存
  • 操作
10s
温馨提示:
订单商品问题请移至我的售后服务提交售后申请,其他需投诉问题可移至我的投诉提交,我们将在第一时间给您答复
返回顶部