h1_key

TI(德州仪器) THS6214
德州仪器 (TI) 全系列产品在线购买
  • TI(德州仪器) THS6214
  • TI(德州仪器) THS6214
  • TI(德州仪器) THS6214
  • TI(德州仪器) THS6214
  • TI(德州仪器) THS6214
  • TI(德州仪器) THS6214
立即查看
您当前的位置: 首页 > 放大器 > 特殊功能放大器 > 线路驱动器 > THS6214
THS6214

THS6214

正在供货

高速双端口差分 DSL 线路驱动器放大器

产品详情
  • 说明
  • 特性
  • 参数
  • 封装 | 引脚 | 尺寸

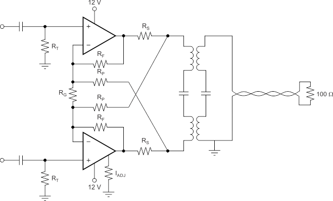
The THS6214 is a dual-port, current-feedback architecture, differential line driver amplifier system ideal for xDSL systems. The device is targeted for use in very-high-bit-rate digital subscriber line 2 (VDSL2) line driver systems that enable greater than 14.5-dBm line power, supporting the G.993.2 VDSL2 17a profile. The device is also fast enough to support central-office transmissions of 14.5-dBm line power up to 30 MHz. The device is also targeted for use as a broadband or wideband power line communications (PLC) amplifier for line driver applications.

The unique architecture of the THS6214 uses minimal quiescent current and still achieves very high linearity. Differential distortion, under full bias conditions, is –93 dBc at 1 MHz and reduces to only –73 dBc at 10 MHz. Fixed multiple bias settings of the amplifiers allow for enhanced power savings for line lengths where the full performance of the amplifier is not required. To allow for even more flexibility and power savings, an adjustable current pin (IADJ) is available to further lower the bias currents.

The wide output swing of 43.2 VPP (100-Ω differential load) with ±12-V power supplies, coupled with over 416-mA current drive (25-Ω load), allows for wide dynamic headroom, keeping distortion minimal.

The THS6214 is available in a VQFN-24 or a HTSSOP-24 PowerPAD™ package.

  • Low Power Consumption:
    • Full Bias Mode: 21 mA per Port
    • Mid Bias Mode: 16.2 mA per Port
    • Low Bias Mode: 11.2 mA per Port
    • Low-Power Shutdown Mode
    • IADJ Pin for Variable Bias
  • Low Noise:
    • Voltage Noise: 2.7 nV/√Hz
    • Inverting Current Noise: 17 pA/√Hz
    • Noninverting Current Noise: 1.2 pA/√Hz
  • Low MTPR Distortion:
    • 70 dB with 20.5 dBm G.993.2—Profile 8b
  • –93 dBc HD3 (1 MHz, 100-Ω Differential)
  • High Output Current: > 416 mA (25-Ω Load)
  • Wide Output Swing: 43.2 VPP (±12 V, 100-Ω Differential Load)
  • Wide Bandwidth: 150 MHz (GDIFF = 10 V/V)
  • PSRR: 50 dB at 1 MHz for Good Isolation
  • Wide Power-Supply Range: 10 V to 28 V
Number of channels2
ArchitectureDSL Line Driver
Total supply voltage (+5 V = 5, ±5 V = 10) (min) (V)10
Total supply voltage (+5 V = 5, ±5 V = 10) (max) (V)28
BW at Acl (MHz)160
Acl, min spec gain (V/V)1
Vn at flatband (typ) (nV√Hz)2.7
Vn at 1 kHz (typ) (nV√Hz)8.5
Iq per channel (typ) (mA)21
Vos (offset voltage at 25°C) (max) (mV)50
Rail-to-railNo
FeaturesAdjustable BW/IQ/IOUT, Shutdown
RatingCatalog
Operating temperature range (°C)-40 to 85
CMRR (typ) (dB)65
Input bias current (max) (pA)3500000
Offset drift (typ) (µV/°C)155
GBW (typ) (MHz)160
Iout (typ) (mA)416
2nd harmonic (dBc)100
3rd harmonic (dBc)89
Frequency of harmonic distortion measurement (MHz)1
HTSSOP (PWP)2449.92 mm² 7.8 x 6.4
VQFN (RHF)2420 mm² 5 x 4
产品购买
  • 商品型号
  • 封装
  • 工作温度
  • 包装
  • 价格
  • 现货库存
  • 操作
10s
温馨提示:
订单商品问题请移至我的售后服务提交售后申请,其他需投诉问题可移至我的投诉提交,我们将在第一时间给您答复
返回顶部