h1_key

TI(德州仪器) SN74AHCT273
德州仪器 (TI) 全系列产品在线购买
  • TI(德州仪器) SN74AHCT273
  • TI(德州仪器) SN74AHCT273
  • TI(德州仪器) SN74AHCT273
  • TI(德州仪器) SN74AHCT273
  • TI(德州仪器) SN74AHCT273
  • TI(德州仪器) SN74AHCT273
立即查看
您当前的位置: 首页 > 逻辑和电压转换 > 触发器、锁存器和寄存器 > D 型触发器 > SN74AHCT273
SN74AHCT273

SN74AHCT273

正在供货

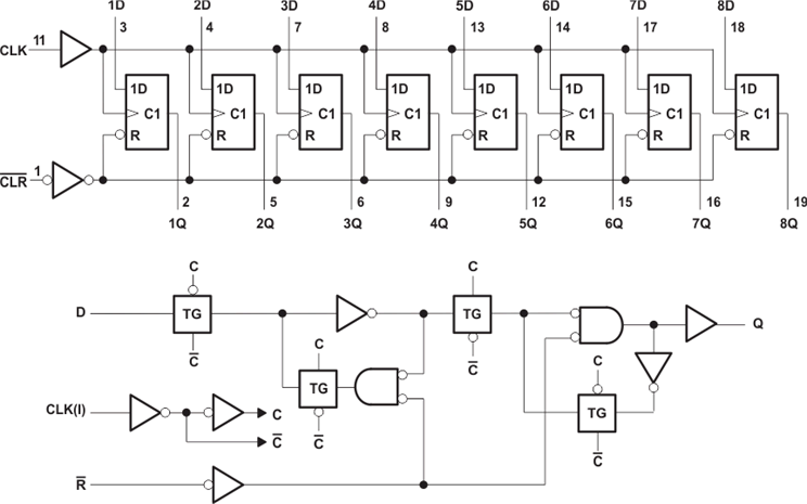
具有清零功能的八路 D 类触发器

产品详情
  • 说明
  • 特性
  • 参数
  • 封装 | 引脚 | 尺寸

These devices are positive-edge-triggered D-type flip-flops with a direct clear (CLR) input.

  • Inputs are TTL-Voltage Compatible
  • Contain Eight Flip-Flops With Single-Rail Outputs
  • Direct Clear Input
  • Individual Data Input to Each Flip-Flop
  • Latch-Up Performance Exceeds 250 mA Per JESD 17
  • ESD Protection Exceeds JESD 22
    • 2000-V Human-Body Model (A114-A)
    • 200-V Machine Model (A115-A)
    • 1000-V Charged-Device Model (C101)
Number of channels8
Technology familyAHCT
Supply voltage (min) (V)4.5
Supply voltage (max) (V)5.5
Input typeTTL-Compatible CMOS
Output typePush-Pull
Clock frequency (max) (MHz)70
IOL (max) (mA)8
IOH (max) (mA)-8
Supply current (max) (µA)40
FeaturesBalanced outputs, Very high speed (tpd 5-10ns)
Operating temperature range (°C)-40 to 125
RatingCatalog
PDIP (N)20228.702 mm² 24.33 x 9.4
SOIC (DW)20131.84 mm² 12.8 x 10.3
SOP (NS)2098.28 mm² 12.6 x 7.8
SSOP (DB)2056.16 mm² 7.2 x 7.8
TSSOP (PW)2041.6 mm² 6.5 x 6.4
产品购买
  • 商品型号
  • 封装
  • 工作温度
  • 包装
  • 价格
  • 现货库存
  • 操作
10s
温馨提示:
订单商品问题请移至我的售后服务提交售后申请,其他需投诉问题可移至我的投诉提交,我们将在第一时间给您答复
返回顶部