h1_key

TI(德州仪器) SN74HCT273
德州仪器 (TI) 全系列产品在线购买
  • TI(德州仪器) SN74HCT273
  • TI(德州仪器) SN74HCT273
  • TI(德州仪器) SN74HCT273
  • TI(德州仪器) SN74HCT273
  • TI(德州仪器) SN74HCT273
  • TI(德州仪器) SN74HCT273
立即查看
您当前的位置: 首页 > 逻辑和电压转换 > 触发器、锁存器和寄存器 > D 型触发器 > SN74HCT273
SN74HCT273

SN74HCT273

正在供货

具有清零功能的八路 D 类触发器

产品详情
  • 说明
  • 特性
  • 参数
  • 封装 | 引脚 | 尺寸

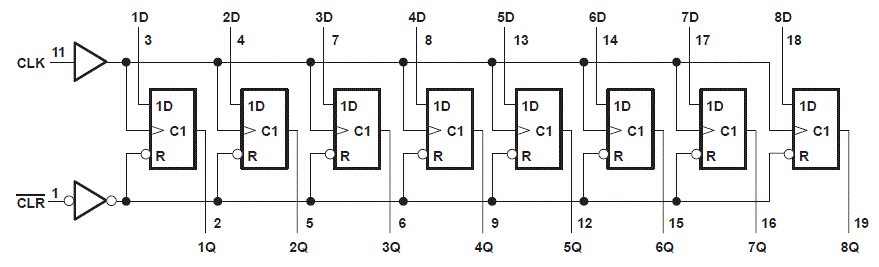
这些器件是具有常见使能输入的正边沿触发式 D 型触发器。’HCT273 器件与 ’HCT377 器件类似,但具有常见的清零使能 (CLR) 输入,而不是锁存时钟。

  • 4.5V 至 5.5V 的工作电压范围
  • 输出可驱动多达 10 个 LSTTL 负载
  • 低功耗,ICC 最大值为 80µA
  • tpd典型值 = 12ns
  • 5V 时的输出驱动为 ±4mA
  • 低输入电流,最大值 1µA
  • 输入兼容 TTL 电压
  • 包含八路 D 型触发器
  • 直接清零输入
Number of channels8
Technology familyHCT
Supply voltage (min) (V)4.5
Supply voltage (max) (V)5.5
Input typeTTL-Compatible CMOS
Output typePush-Pull
Clock frequency (max) (MHz)25
IOL (max) (mA)4
IOH (max) (mA)-4
Supply current (max) (µA)80
FeaturesBalanced outputs, High speed (tpd 10-50ns), Positive input clamp diode
Operating temperature range (°C)-40 to 85
RatingCatalog
PDIP (N)20228.702 mm² 24.33 x 9.4
SOIC (DW)20131.84 mm² 12.8 x 10.3
SOP (NS)2098.28 mm² 12.6 x 7.8
SSOP (DB)2056.16 mm² 7.2 x 7.8
TSSOP (PW)2041.6 mm² 6.5 x 6.4
产品购买
  • 商品型号
  • 封装
  • 工作温度
  • 包装
  • 价格
  • 现货库存
  • 操作
10s
温馨提示:
订单商品问题请移至我的售后服务提交售后申请,其他需投诉问题可移至我的投诉提交,我们将在第一时间给您答复
返回顶部