h1_key

TI(德州仪器) SN74AHC594
德州仪器 (TI) 全系列产品在线购买
  • TI(德州仪器) SN74AHC594
  • TI(德州仪器) SN74AHC594
  • TI(德州仪器) SN74AHC594
  • TI(德州仪器) SN74AHC594
  • TI(德州仪器) SN74AHC594
  • TI(德州仪器) SN74AHC594
立即查看
您当前的位置: 首页 > 逻辑和电压转换 > 触发器、锁存器和寄存器 > 移位寄存器 > SN74AHC594
SN74AHC594

SN74AHC594

正在供货

具有输出寄存器的 8 位移位寄存器

产品详情
  • 说明
  • 特性
  • 参数
  • 封装 | 引脚 | 尺寸

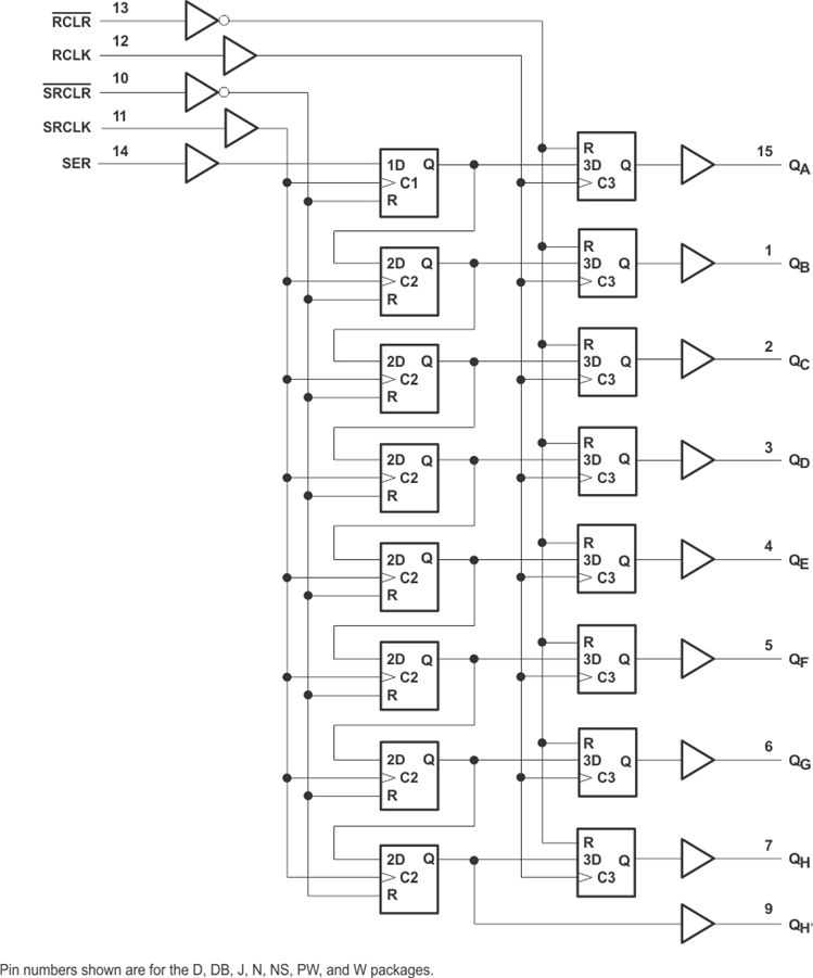
The SNx4AHC594 devices contain an 8-bit serial-in, parallel-out shift register that feeds an 8-bit D-type storage register. Separate clocks and direct overriding clear (SRCLR, RCLR) inputs are provided on the shift and storage registers. A serial (QH′) output is provided for cascading purposes.

  • Operating Range 2-V to 5.5-V VCC
  • 8-Bit Serial-In, Parallel-Out Shift Registers with Storage
  • Independent Direct Overriding Clears on Shift and Storage
    Registers
  • Independent Clocks for Shift and Storage Registers
  • Latch-Up Performance Exceeds 100 mA Per JESD 78,
    Class II
  • ESD Protection Exceeds JESD 22
    • 2000-V Human-Body Model (A114-A)
    • 200-V Machine Model (A115-A)
    • 1000-V Charged-Device Model (C101)
ConfigurationSerial-in, Parallel-out
Bits (#)8
Technology familyAHC
Supply voltage (min) (V)2
Supply voltage (max) (V)5.5
Input typeStandard CMOS
Output typePush-Pull
Clock frequency (MHz)115
IOL (max) (mA)8
IOH (max) (mA)-8
Supply current (max) (µA)40
FeaturesBalanced outputs, Output register, Over-voltage tolerant inputs, Very high speed (tpd 5-10ns)
Operating temperature range (°C)-40 to 125
RatingCatalog
PDIP (N)16181.42 mm² 19.3 x 9.4
SOIC (D)1659.4 mm² 9.9 x 6
SOP (NS)1679.56 mm² 10.2 x 7.8
SSOP (DB)1648.36 mm² 6.2 x 7.8
TSSOP (PW)1632 mm² 5 x 6.4
产品购买
  • 商品型号
  • 封装
  • 工作温度
  • 包装
  • 价格
  • 现货库存
  • 操作
10s
温馨提示:
订单商品问题请移至我的售后服务提交售后申请,其他需投诉问题可移至我的投诉提交,我们将在第一时间给您答复
返回顶部