电子元器件一站式供应链服务平台
您好,请登录
免费注册
我的订单
|
会员中心
|
4000-306-326
|
4000306326
阿尔特拉期货
TI、ADI、ST热门现货
美光现货
海力士现货
三星存储现货
0
我的购物车
购物车中还没有商品,赶紧选购吧!
共
0
件商品
共计¥
0
去购物车
0
询价订货单
首页
品牌目录
可议价
超级爆款
热门现货
期货订购
领券中心
海外代购
代理品牌
BOM询价
h1_key
德州仪器 (TI) 全系列产品在线购买
立即查看
您当前的位置:
首页
> 逻辑和电压转换 > 专用逻辑 IC > 数字多路信号分离器和解码器 > CD74HC138
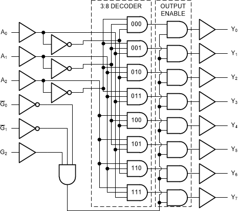
CD74HC138
正在供货
高速 CMOS 逻辑反向和同向 3 线至 8 线解码器多路信号分离器
立即搜索现货
产品详情
|
产品购买
|
产品详情
说明
特性
参数
封装 | 引脚 | 尺寸
Technology family
HC
Number of channels
1
Operating temperature range (°C)
-55 to 125
Rating
Catalog
Supply current (max) (µA)
160
PDIP (N)
16
181.42 mm² 19.3 x 9.4
SOIC (D)
16
59.4 mm² 9.9 x 6
— (—)
—
See data sheet
产品购买
商品型号
封装
工作温度
包装
价格
现货库存
操作
-
-
询价
加入购物车
海量现货,种类齐全
报价讯捷,闪电出货
原厂渠道,正品保证
批量采购,支持议价
专属客服,一对一服务
10s
温馨提示:
订单商品问题请移至我的售后服务提交售后申请,其他需投诉问题可移至我的投诉提交,我们将在第一时间给您答复
*
我的问题/建议:
*
联系电话:
上传图片(选填):
请您提交2M以内的jpg,gif,png格式文件
投诉订单号(选填):
在线客服
微信
购物车
公众号
投诉建议
返回顶部
*
订购数量:
加入询价列表
取消