h1_key

TI(德州仪器) CD74HCT365
德州仪器 (TI) 全系列产品在线购买
  • TI(德州仪器) CD74HCT365
  • TI(德州仪器) CD74HCT365
  • TI(德州仪器) CD74HCT365
  • TI(德州仪器) CD74HCT365
  • TI(德州仪器) CD74HCT365
  • TI(德州仪器) CD74HCT365
立即查看
您当前的位置: 首页 > 逻辑和电压转换 > 缓冲器、驱动器和收发器 > 同相缓冲器和驱动器 > CD74HCT365
CD74HCT365

CD74HCT365

正在供货

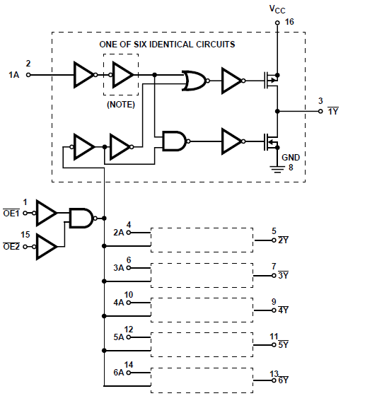
具有 TTL 兼容型 CMOS 输入和三态输出的 6 通道、4.5V 至 5.5V 缓冲器

产品详情
  • 说明
  • 特性
  • 参数
  • 封装 | 引脚 | 尺寸
Technology familyHCT
Supply voltage (min) (V)4.5
Supply voltage (max) (V)5.5
Number of channels6
IOL (max) (mA)6
Supply current (max) (µA)160
IOH (max) (mA)-6
Input typeTTL-Compatible CMOS
Output type3-State
FeaturesBalanced outputs, High speed (tpd 10-50ns), Input clamp diode
RatingCatalog
Operating temperature range (°C)-55 to 125
PDIP (N)16181.42 mm² 19.3 x 9.4
SOIC (D)1659.4 mm² 9.9 x 6
产品购买
  • 商品型号
  • 封装
  • 工作温度
  • 包装
  • 价格
  • 现货库存
  • 操作
10s
温馨提示:
订单商品问题请移至我的售后服务提交售后申请,其他需投诉问题可移至我的投诉提交,我们将在第一时间给您答复
返回顶部