h1_key

TI(德州仪器) CD74HCT4024
德州仪器 (TI) 全系列产品在线购买
  • TI(德州仪器) CD74HCT4024
  • TI(德州仪器) CD74HCT4024
  • TI(德州仪器) CD74HCT4024
  • TI(德州仪器) CD74HCT4024
  • TI(德州仪器) CD74HCT4024
  • TI(德州仪器) CD74HCT4024
立即查看
您当前的位置: 首页 > 逻辑和电压转换 > 触发器、锁存器和寄存器 > 计数器 > CD74HCT4024
CD74HCT4024

CD74HCT4024

正在供货

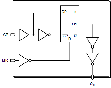
高速 CMOS 逻辑 7 级二进制纹波计数器

产品详情
  • 说明
  • 特性
  • 参数
  • 封装 | 引脚 | 尺寸
FunctionCounter
Bits (#)7
Technology familyHCT
Supply voltage (min) (V)4.5
Supply voltage (max) (V)5.5
Input typeTTL-Compatible CMOS
Output typePush-Pull
FeaturesBalanced outputs, High speed (tpd 10-50ns), Positive input clamp diode
Operating temperature range (°C)-55 to 125
RatingCatalog
PDIP (N)14181.42 mm² 19.3 x 9.4
SOIC (D)1451.9 mm² 8.65 x 6
产品购买
  • 商品型号
  • 封装
  • 工作温度
  • 包装
  • 价格
  • 现货库存
  • 操作
10s
温馨提示:
订单商品问题请移至我的售后服务提交售后申请,其他需投诉问题可移至我的投诉提交,我们将在第一时间给您答复
返回顶部