h1_key

TI(德州仪器) CD74HCT73
德州仪器 (TI) 全系列产品在线购买
  • TI(德州仪器) CD74HCT73
  • TI(德州仪器) CD74HCT73
  • TI(德州仪器) CD74HCT73
  • TI(德州仪器) CD74HCT73
  • TI(德州仪器) CD74HCT73
  • TI(德州仪器) CD74HCT73
立即查看
您当前的位置: 首页 > 逻辑和电压转换 > 触发器、锁存器和寄存器 > JK 触发器 > CD74HCT73
CD74HCT73

CD74HCT73

正在供货

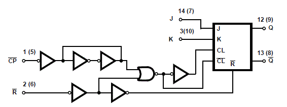
具有复位功能的高速 CMOS 逻辑双通道下降沿 J-K 触发器

产品详情
  • 说明
  • 特性
  • 参数
  • 封装 | 引脚 | 尺寸
  • 时钟输入迟滞,改进了抗扰度并增加了输入上升和下降时间
  • 异步复位
  • 互补输出
  • 缓冲输入
  • 当 VCC = 5V, CL = 15pF,TA = 25℃ 时 fMAX 典型值 = 60MHz
  • 扇出(在温度范围内)
    • 标准输出:10 个 LSTTL 负载
    • 总线驱动器输出:15 个 LSTTL 负载
  • 宽工作温度范围:–55℃ 至 125℃
  • 平衡的传播延迟及转换时间
  • 与 LSTTL 逻辑 IC 相比,功耗显著降低
  • HC 类型
    • 工作电压为 2 V 至 6V
    • 高抗噪性:当 VCC = 5V 时,NIL = 30%,NIH = VCC 的 30%
  • HCT 类型
    • 工作电压为 4.5V 至 5.5V
    • 直接 LSTTL 输入逻辑兼容性, VIL = 0.8V(最大值),VIH = 2V(最小值)
    • CMOS 输入兼容性,当电压为 VOL、VOH时,II ≤ 1µA
Number of channels2
Technology familyHCT
Supply voltage (min) (V)4.5
Supply voltage (max) (V)5.5
Input typeTTL
Output typePush-Pull
Clock frequency (MHz)24
Supply current (max) (µA)80
IOL (max) (mA)6
IOH (max) (mA)-6
FeaturesBalanced outputs, Clear, High speed (tpd 10-50ns), Negative edge triggered, Positive input clamp diode
Operating temperature range (°C)-55 to 125
RatingCatalog
PDIP (N)14181.42 mm² 19.3 x 9.4
SOIC (D)1451.9 mm² 8.65 x 6
产品购买
  • 商品型号
  • 封装
  • 工作温度
  • 包装
  • 价格
  • 现货库存
  • 操作
10s
温馨提示:
订单商品问题请移至我的售后服务提交售后申请,其他需投诉问题可移至我的投诉提交,我们将在第一时间给您答复
返回顶部