h1_key

TI(德州仪器) SN74ALVCH16245
德州仪器 (TI) 全系列产品在线购买
  • TI(德州仪器) SN74ALVCH16245
  • TI(德州仪器) SN74ALVCH16245
  • TI(德州仪器) SN74ALVCH16245
  • TI(德州仪器) SN74ALVCH16245
  • TI(德州仪器) SN74ALVCH16245
  • TI(德州仪器) SN74ALVCH16245
立即查看
您当前的位置: 首页 > 逻辑和电压转换 > 缓冲器、驱动器和收发器 > 通用收发器 > SN74ALVCH16245
SN74ALVCH16245

SN74ALVCH16245

正在供货

具有三态输出的 16 位总线收发器

产品详情
  • 说明
  • 特性
  • 参数
  • 封装 | 引脚 | 尺寸

This 16-bit (dual-octal) noninverting bus transceiver is designed for 1.65-V to 3.6-V VCC operation.

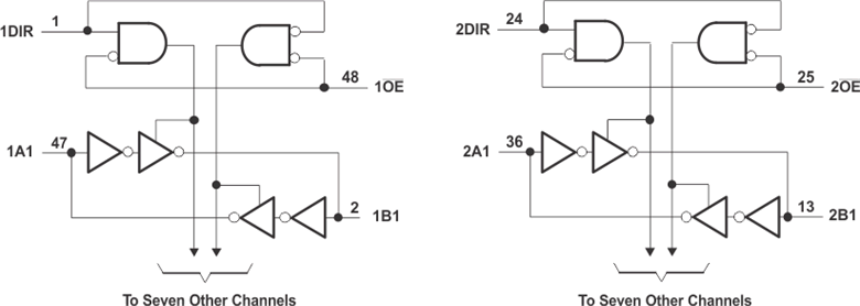
The SN74ALVCH16245 device is designed for asynchronous communication between two data buses. The logic levels of the direction-control (DIR) input and the output-enable (OE) input activate either the B-port outputs or the A-port outputs or place both output ports into the high-impedance mode. The device transmits data from the A bus to the B bus when the B-port outputs are activated, and from the B bus to the A bus when the A-port outputs are activated. The input circuitry on both A and B ports is always active and must have a logic high or low level applied to prevent excess ICC and ICCZ.

To ensure the high-impedance state during power up or power down, OE should be tied to VCC through a pullup resistor; the minimum value of the resistor is determined by the current-sinking capability of the driver.

Active bus-hold circuitry holds unused or undriven inputs at a valid logic state. Use of pullup or pulldown resistors with the bus-hold circuitry is not recommended.

  • Member of the Texas Instruments Widebus™
    Family
  • Operates From 1.65 V to 3.6 V
  • Max tpd of 3 ns at 3.3 V
  • ±24-mA Output Drive at 3.3 V
  • Bus Hold on Data Inputs Eliminates the Need for
    External Pullup or Pulldown Resistors
  • Latch-Up Performance Exceeds 250 mA Per
    JESD 17
  • ESD Protection Exceeds JESD 22
    • 2000-V Human-Body Model (A114-A)
    • 200-V Machine Model (A115-A)
Supply voltage (min) (V)1.65
Supply voltage (max) (V)3.6
Number of channels16
IOL (max) (mA)24
IOH (max) (mA)-24
Input typeLVTTL
Output typeLVTTL
FeaturesBalanced outputs, Bus-hold, Ultra high speed (tpd <5ns)
Technology familyALVC
RatingCatalog
Operating temperature range (°C)-40 to 85
SSOP (DL)48164.358 mm² 15.88 x 10.35
TSSOP (DGG)48101.25 mm² 12.5 x 8.1
TVSOP (DGV)4862.08 mm² 9.7 x 6.4
产品购买
  • 商品型号
  • 封装
  • 工作温度
  • 包装
  • 价格
  • 现货库存
  • 操作
10s
温馨提示:
订单商品问题请移至我的售后服务提交售后申请,其他需投诉问题可移至我的投诉提交,我们将在第一时间给您答复
返回顶部