h1_key

TI(德州仪器) SN74ALVC164245
德州仪器 (TI) 全系列产品在线购买
  • TI(德州仪器) SN74ALVC164245
  • TI(德州仪器) SN74ALVC164245
  • TI(德州仪器) SN74ALVC164245
  • TI(德州仪器) SN74ALVC164245
  • TI(德州仪器) SN74ALVC164245
  • TI(德州仪器) SN74ALVC164245
立即查看
您当前的位置: 首页 > 逻辑和电压转换 > 电压转换器和电平转换器 > 方向控制型电压转换器 > SN74ALVC164245
SN74ALVC164245

SN74ALVC164245

正在供货

具有三态输出的 16 位 2.5V 至 3.3V/3.3V 至 5V 电平转换收发器

产品详情
  • 说明
  • 特性
  • 参数
  • 封装 | 引脚 | 尺寸

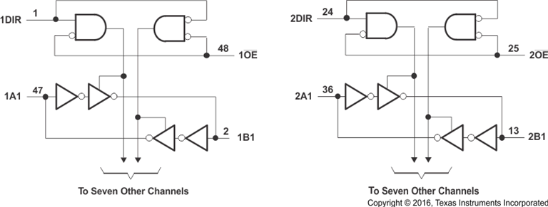
This 16-bit (dual-octal) noninverting bus transceiver contains two separate supply rails. B port has VCCB, which is set to operate at 3.3 V and 5 V. A port has VCCA, which is set to operate at 2.5 V and 3.3 V. This allows for translation from a 2.5-V to a 3.3-V environment, and vice versa, or from a 3.3-V to a 5-V environment, and vice versa.

The SN74ALVC164245 is designed for asynchronous communication between data buses. The control circuitry (1DIR, 2DIR, 1OE, and 2OE) is powered by VCCA.

To ensure the high-impedance state during power up or power down, the output-enable (OE) input should be tied to VCC through a pullup resistor; the minimum value of the resistor is determined by the current-sinking capability of the driver.

The logic levels of the direction-control (DIR) input and the output-enable (OE) input activate either the B-port outputs or the A-port outputs or place both output ports into the high-impedance mode. The device transmits data from the A bus to the B bus when the B-port outputs are activated, and from the B bus to the A bus when the A-port outputs are activated. The input circuitry on both A and B ports always is active and must have a logic HIGH or LOW level applied to prevent excess ICC and ICCZ.

  • Member of the Texas Instruments Widebus™ Family
  • Maximum tpd of 5.8 ns at 3.3 V
  • ±24-mA Output Drive at 3.3 V
  • Control Inputs VIH/VIL Levels Are Referenced to VCCA Voltage
  • Latch-Up Performance Exceeds 250 mA Per JESD 17
  • APPLICATIONS
    • Electronic Points of Sale
    • Printers and Other Peripherals
    • Motor Drives
    • Wireless and Telecom Infrastructures
    • Wearable Health and Fitness Devices

All other trademarks are the property of their respective owners

Technology familyALVC
Bits (#)16
High input voltage (min) (V)1.7
High input voltage (max) (V)5.5
Vout (min) (V)2.3
Vout (max) (V)5.5
Data rate (max) (Mbps)300
IOH (max) (mA)-24
IOL (max) (mA)24
Supply current (max) (µA)40
FeaturesOutput enable
Input typeStandard CMOS
Output type3-State, Balanced CMOS, Push-Pull
RatingCatalog
Operating temperature range (°C)-40 to 85
SSOP (DL)48164.358 mm² 15.88 x 10.35
TSSOP (DGG)48101.25 mm² 12.5 x 8.1
产品购买
  • 商品型号
  • 封装
  • 工作温度
  • 包装
  • 价格
  • 现货库存
  • 操作
10s
温馨提示:
订单商品问题请移至我的售后服务提交售后申请,其他需投诉问题可移至我的投诉提交,我们将在第一时间给您答复
返回顶部