h1_key

TI(德州仪器) SN74LS294
德州仪器 (TI) 全系列产品在线购买
  • TI(德州仪器) SN74LS294
  • TI(德州仪器) SN74LS294
  • TI(德州仪器) SN74LS294
  • TI(德州仪器) SN74LS294
  • TI(德州仪器) SN74LS294
  • TI(德州仪器) SN74LS294
立即查看
您当前的位置: 首页 > 逻辑和电压转换 > 专用逻辑 IC > 数字计时 IC > SN74LS294
SN74LS294

SN74LS294

正在供货

可编程分频器/数字定时器

产品详情
  • 说明
  • 特性
  • 参数
  • 封装 | 引脚 | 尺寸

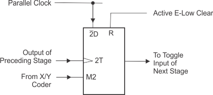
The SN74LS29x devices are programmable frequency dividers and digital timers contain 31 flip-flops plus 30 gates (in SN74LS292) or 15 flip-flops plus 29 gates (in SN74LS294) on a single chip. The count modulo is under digital control of the inputs provided.

Both types feature an active-low CLR clear input to initialize the state of all flip-flops. To facilitate the incoming inspection, test points are provided (TP1, TP2, and TP3 on the SN74LS292, and TP on the SN74LS294). These test points are not intended to drive system loads. Both types feature two clock inputs; either one may be used for clock gating.

A brief look at the digital timing capabilities of the SN74LS292 shows that with a 1-MHz input frequency, programming for 210 gives a period of 1.024 ms, 220 gives a period of 1.05 sec, 226 gives a period of 1.12 min, and 231 gives a period of 35.79 min.

These devices are easily cascadable, giving limitless possibilities to achievable timing delays.

  • Count Divider Chain
  • Digitally Programmable from 22 to 2n
    (n = 31 for SN74LS292 , n = 15 for SN74LS294)
  • Useable Frequency Range from DC to 30 MHz
  • Easily Expandable
Technology familyLS
Bits (#)15
Supply voltage (min) (V)4.75
Supply voltage (max) (V)5.25
Input typeBipolar
Output typePush-Pull
Supply current (max) (µA)50000
IOL (max) (mA)24
IOH (max) (mA)-1.2
Operating temperature range (°C)0 to 70
RatingCatalog
PDIP (N)16181.42 mm² 19.3 x 9.4
产品购买
  • 商品型号
  • 封装
  • 工作温度
  • 包装
  • 价格
  • 现货库存
  • 操作
10s
温馨提示:
订单商品问题请移至我的售后服务提交售后申请,其他需投诉问题可移至我的投诉提交,我们将在第一时间给您答复
返回顶部