随着对精度要求的不断提高,全差分信号链组件因出色的性能脱颖而出,这类组件的一个主要优点是可通过信号路由拾取噪声抑制。由于输出会拾取这种噪声,输出经常会出现误差并因而在信号链中进一步衰减。
此外,差分信号可以实现两倍于同一电源上的单端信号的信号范围。因此,全差分信号的信噪比(SNR)更高。经典的三运放仪表放大器具有许多优点,包括共模信号抑制、高输入阻抗和精确(可调)增益;但是,在需要全差分输出信号时,它就无能为力了。人们已经使用一些方法,用标准组件实现全差分仪表放大器。但是,它们有着各自的缺点。
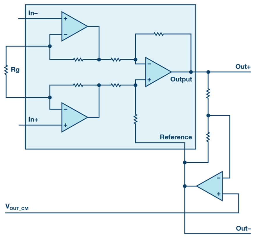
图1. 经典仪表放大器
一种技术是使用运算放大器驱动参考引脚,正输入为共模,负输入为将输出连接在一起的两个匹配电阻的中心。该配置使用仪表放大器输出作为正输出,运算放大器输出作为负输出。由于两个输出是不同的放大器,因此这些放大器之间动态性能的失配会极大地影响电路的整体性能。
此外,两个电阻的匹配导致输出共模随输出信号运动,结果可能导致失真。在设计该电路时,在选择放大器时必须考虑稳定性,并且可能需要在运算放大器上设置一个反馈电容,用于限制电路的总带宽。最后,该电路的增益范围取决于仪表放大器。因此,不可能实现小于1的增益。
图2. 使用外部运算放大器生成反相输出
另一种技术是将两个仪表放大器与输入开关并联。与前一电路相比,这种配置具有更好的匹配驱动电路和频率响应。但它不能实现小于2的增益。该电路还需要精密匹配增益电阻,以实现纯差分信号。这些电阻的失配会导致输出共模电平的变化,其影响与先前的架构相同。
图3. 使用第二仪表放大器产生反相输出
这两种方法对可实现的增益以及匹配组件的要求存在限制。
新型交叉连接技术
通过交叉连接两个仪表放大器,如图4所示,这种新电路使用单个增益电阻提供具有精密增益或衰减的全差分输出。通过将两个参考引脚连接在一起,用户可以根据需要调整输出共模。
图4. 交叉连接技术——生成差分仪表放大器输出的解决方案
In_A的增益由以下等式推出。由于输入电压出现在仪表放大器2的输入缓冲器的正端子上,而电阻R2和R3另一端的电压为0 V,因此这些缓冲器的增益遵循适用于同相运算放大器配置的等式。同样,对于仪表放大器1的输入缓冲器,增益遵循反相运算放大器配置。由于差分放大器中的所有电阻都匹配,因此缓冲器输出的增益为1。
图5. 仪表放大器内部的匹配电阻是交叉连接技术的关键
根据对称性原则,如果在In_B施加电压V2且In_A接地,则结果如下:
将这两个结果相加得到电路的增益。
增益电阻R3和R2设置电路的增益,并且只需要一个电阻来实现全差分信号。正/负输出取决于安装的电阻。不安装R3将导致增益等式中的第二项变为零。由此可得,增益为2 × R1/R2。不安装R2会导致增益等式中的第一项变为零。由此可得,增益为–2 × R1/R3。需要注意的另一点是增益纯粹是一个比率,因此可以实现小于1的增益。请记住,由于R2和R3对增益有相反的影响,所以,使用两个增益电阻会使第一级增益高于输出。如果在选择电阻值时不小心,结果会加大由于第一级运算放大器在输出端引起的偏差。
为了演示这个电路的实际运用情况,我们把两个 AD8221 仪表放大器连接起来。数据手册将R1列为24.7kΩ,因此当R2为49.4kΩ时,可实现等于1的增益。
CH1是In_A的输入信号,CH2为VOUT_A,CH3为VOUT_B。输出A和B匹配且反相,差值在幅度上等于输入信号。
图6. 使用交叉连接技术生成差分仪表放大器输出信号,在增益 = 1的条件下测得的结果
接下来,将49.4kΩ增益电阻从R2移至R3,电路的新增益为–1。现在Out_A与输入反相,输出之间的差值在幅度上等于输入信号。
图7. 使用交叉连接技术生成差分仪表放大器输出信号,在增益 = –1的生成长图条件下测得的结果
如前所述,其他技术的一个限制是无法实现衰减。根据增益等式,使用R2 = 98.8kΩ,电路会使输入信号衰减两倍。
图8. 使用交叉连接技术生成差分仪表放大器输出信号,在增益 = 1/2的条件下测得的结果
最后,为了证明高增益,选择R2 = 494Ω以实现G = 100。
图9. 使用交叉连接技术生成差分仪表放大器输出信号仪表放大器,在增益 = 100条件下测得的结果
该电路的性能表现符合增益等式的描述。为了获得最佳性能,使用此电路时应采取一些预防措施。增益电阻的精度和漂移会增加仪表放大器的增益误差,因此要根据误差要求选择合适的容差。
由于仪表放大器的Rg引脚上的电容可能导致较差的频率性能,因此如果需要高频性能,应注意这些节点。此外,两个仪表放大器之间的温度失配会因失调漂移导致系统失调,因此在此应注意布局和负载。使用双通道仪表放大器,如 AD8222 ,有助于克服这些潜在的问题。
交叉连接技术保持仪表放大器的所需特性,同时提供附加功能。尽管本文讨论的所有示例都实现了差分输出,但在交叉连接电路中,输出的共模不会受电阻对失配的影响,与其他架构不同。因此,始终都能实现真正的差分输出。而且,如增益等式所示,差分信号衰减是可能存在的,这就消除了采用漏斗放大器的必要性,在以前,这是必不可少的。最后,输出的极性由增益电阻的位置决定(使用R2或R3),这为用户增加了更多的灵活性。



购物车中还没有商品,赶紧选购吧!




