ADI亚德诺 ADG722 产品介绍
2026-03-09
28次
特性
- 1.8 V至5.5 V单电源供电
- 低导通电阻平坦度
- -3 dB带宽
- >200 MHz
- 小型封装
8引脚MSOP
3 mm × 2 mm LFCSP(A级) - 导通电阻:4 Ω(最大值)
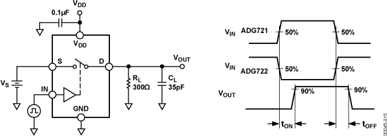
- 快速开关时间
接通时间:20 ns
断开时间:10 ns - 低功耗:<0.1 μW
- TTL/CMOS兼容型
产品详情和应用
ADG721、ADG722和ADG723均为单芯片CMOS单刀单掷(SPST)开关,采用先进的亚微米工艺设计,具有低功耗、高开关速度、低导通电阻和低泄漏电流特性。这些器件提供3 mm × 2 mm、小型LFCSP和MSOP两种封装,非常适合空间受限的应用。
ADG721、ADG722和ADG723设计采用1.8 V至5.5 V单电源供电,非常适合用在电池供电仪表中,以及配合Analog Devices, Inc.(简称ADI)的新一代DAC和ADC使用。
ADG721、ADG722和ADG723均内置两个独立的单刀单掷(SPST)开关。ADG721与ADG722的区别仅在于:前者的两个开关为常开式,后者的两个开关为常闭式。ADG723的开关1为常开式,开关2为常闭式。
接通时,ADG721、ADG722和ADG723的各开关在两个方向的导电性能相同。ADG723为先开后合式开关。
产品特色
- 1.8 V至5.5 V单电源供电。
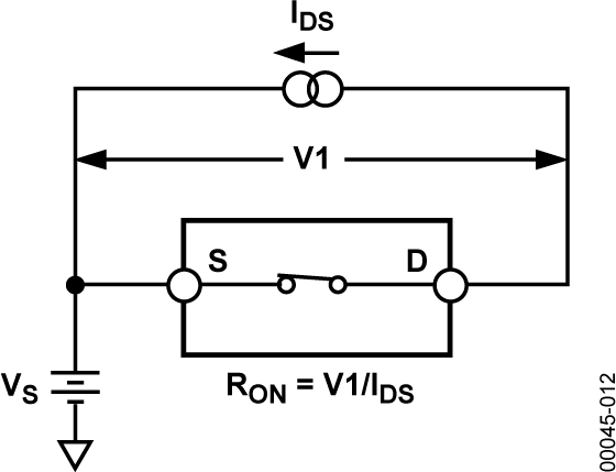
- 极低导通电阻RON (5 V时最大值为4 Ω,3 V时最大值为10 Ω)。
- 低导通电阻平坦度。
- −3 dB带宽大于200 MHz。
- 低功耗。CMOS结构确保其功耗低。
- 8引脚MSOP和3 mm × 2 mm LFCSP封装。
应用



购物车中还没有商品,赶紧选购吧!

量产








