一、CA-IS3020S介绍
厂商型号:CA-IS3020S
品牌名称:Chipanalog(川土)
元件类别:数字隔离器
封装规格:SOIC-8
型号介绍: 低功耗单双向I2C隔离器
二、CA-IS3020S概述
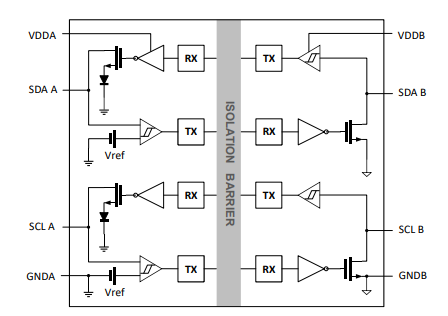
CA-IS3020S芯片为兼容 I 2C 接口的双向通讯低功耗隔离器,隔离器的输入侧与输出侧具备电气隔离特性,该电气隔离屏障由二氧化硅构成的高压隔离电容构成。CA-IS3020S芯片的数据传输通道(SDA)和时钟传输通道(SCK)均具有双向传输功能。如果在实际应用场景中,存在从机(Slave)下拉时钟线的可能性,则需要使用 CA-IS3020S 芯片。
特点:
• 隔离双向通讯,兼容 I
2C 总线通讯协议
• 信号传输速率:DC to 2MHz
• 宽电源电压范围:3V to 5.5V
• 宽温度范围: -40°C to 125°C
• 开漏输出
• A 侧具有 3.5mA 电流下拉能力
• B 侧具有 35mA 电流下拉能力
• 优异的电磁抗扰度
• CMTI:±150kV/µS
• 浪涌:10kV
• ESD:8kV
• 高达 5kVRMS 的隔离电压
• 隔离栅寿命: >40 年
• 封装:SOIC8、宽体 SOIC8
• 符合 RoHS 标准
应用领域:
• 隔离 I2C 总线
• SMBus 和 PMBus 接口
• 电机驱动系统
• I2C 电平转换
三、CA-IS3020S引脚图、原理图、封装图
CA-IS3020S引脚图
CA-IS3020S电路图(原理图)
CA-IS3020S封装图



购物车中还没有商品,赶紧选购吧!



