当前位置:首页 > 珠海极海 > APM32F103RBT6 ARMCortex-M3 内核
型号推荐
作者:万联芯城

提供最新电子元器件知识

电子元器件一站式供应链服务平台

服务热线:4000-306-326

服务时间:09: 00-18: 00

公众号

抖音号

Aug
17

APM32F103RBT6 ARMCortex-M3 内核

基础介绍

APM32F103RBT6

  厂商型号:APM32F103RBT6

  品牌名称:Geehy(珠海极海)

  元件类别:MCU

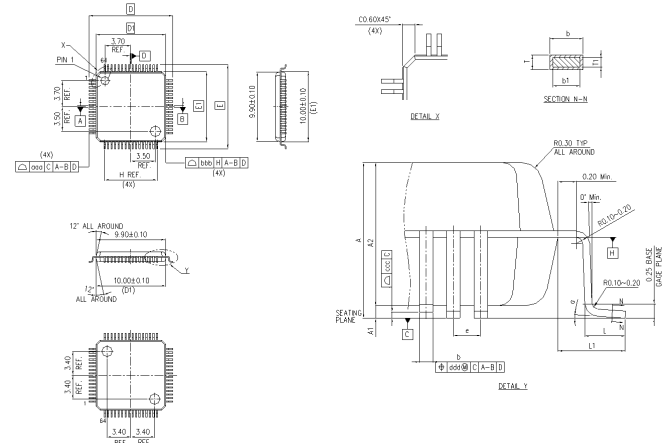
  封装规格:LQFP-64

  型号介绍:ARMCortex-M3 内核

产品描述

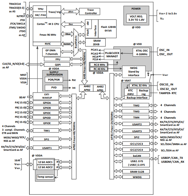
  APM32F103RBT6系列芯片是基于ARMCortex-M3 内核的 32 位微处理器,最高工作频率96MHz内建AHB高性能总线,结合高速存储器及DMA可实现数据的快速处理和存储。内建 APB 高级外设总线,扩展了丰富的外设及增强型 1/O,保障了连接的快速性和控制的灵活性。芯片内部配备强大的 FPU 浮点运算处理单元,支持单精度数据处理指令和数据类型。内置高达 128K字节的闪存存储器和20K字节的SRAM 存储器,所有型号都包含2个12位的ADC、3 个通用 16 位定时器、1 个高级控制定时器和 1 个温度传感器,还包含标准和先进的通信接口:2个PC 接口、2个SPI接口、1个QSPI接口、3个USART 接口、1个USB2.0FS接口和 1个 CAN2.0B 接口,USB与CAN可同时独立工作。

特点

  系统与架构

  ●ARM Cortex -m3内核

  ●最高96MH主频,在存储器的0等待周期 访问时可达1.5dmp/mHZ

  电源、时钟与复位

  ●供电电压2.0v3.6V

  ●4MHz~16MHz外部晶体振荡器

  ●带校准功能的32KHZ RTC 振荡器

  ●内含经出厂调校的8MHZ RC 振荡器

  ●40KHz RC 振荡器

  ●上电掉电复位(POR/PDR)、可编程电压监 测器(PVD)

  存储器

  ●最高128Kbytes 闪存存储器

  ●最高20Kbytes SRAM 存储器

  低功耗模式

  ●支持睡眠,停止和待机三种低功耗模式

  ●支持电池供电,可支持RTC及备用寄存器工 作

  FPU

  ●独立FPU模块,支持浮点运算

  2个ADC及1个温度传感器

  ●lus转换时间(多达16个输入通道

  ●转换范围:0va,转换精度:12bit

  ●双采样和保持功能

  ●片上温度传感器

中文参数

商品分类MCU微控制器品牌Geehy(珠海极海)
封装LQFP-64包装托盘
产品应用通用类MCU

原理图

APM32F103RBT6原理图

APM32F103RBT6原理图

引脚图

APM32F103RBT6原理图

APM32F103RBT6引脚图

封装

APM32F103RBT6封装图

APM32F103RBT6封装

料号解释

APM32F103RBT6料号解释图

APM32F103RBT6料号解释

产品制造商介绍

Geehy珠海极海总部为纳思达是一家致力于开发工业级/车规级MCU、高性能模拟芯片及系统级芯片的集成电路设计型企业Geehy珠海极海团队拥有20年集成电路设计经验和嵌入式系统开发能力客户提供核心可靠的芯片产品实现准确感应、安全传输和实时控制,助力客户在智能家居、高端消费电子、汽车电子、工业控制、以及智慧能源等领域的创新拓展。

10s
温馨提示:
订单商品问题请移至我的售后服务提交售后申请,其他需投诉问题可移至我的投诉提交,我们将在第一时间给您答复
返回顶部