当前位置:首页 > ST意法半导体 > STM32F030F4P6 32位RISC内核
型号推荐
作者:万联芯城

提供最新电子元器件知识

电子元器件一站式供应链服务平台

服务热线:4000-306-326

服务时间:09: 00-18: 00

公众号

抖音号

Aug
21

STM32F030F4P6 32位RISC内核

基础介绍

STM32F030F4P6

  厂商型号:STM32F030F4P6

  品牌名称:ST(意法半导体)

  元件类别:MCU

  封装规格:TSSOP-20

  型号介绍:32位RISC内核

产品描述

  STM32F030F4P6微控制器包含高性能Arm®Cortex®-M0 32RISC内核、高速嵌入式存储器(高达256 KB的闪存和高达32 KBSRAM)以及广泛的增强型外设和I/OSTM32F030F4P6提供标准通信接口(最多两个I2C、最多两个SPI和最多六个USART)、一个12ADC、七个通用16位定时器和一个高级控制PWM定时器。STM32F030F4P6微控制器的工作温度范围为-40+85°C,电源电压为2.43.6V。一组全面的节能模式允许设计低功耗应用。

  STM32F030F4P6微控制器包括四种不同封装的器件,从20引脚到64引脚。根据选择的设备,包括不同的外围设备集。

特点

  特征

  •核心:Arm®32位Cortex®-M0 CPU,频率

  高达48 MHz

  •记忆

  –16至256 KB的闪存

  –4至32 KB SRAM,带硬件奇偶校验

  •CRC计算单元

  •复位和电源管理

  –数字和I/O电源:VDD=2.4 V至3.6 V

  –模拟电源:VDDA=VDD至3.6 V

  –通电/断电复位(POR/PDR)

  –低功耗模式:睡眠、停止、待机

  •时钟管理

  –4至32 MHz晶体振荡器

  –32 kHz振荡器,用于带校准的RTC

  –内置8 MHz RC,带x6 PLL选项

  –内部40 kHz RC振荡器

  •多达55个快速I/O

  –所有可映射到外部中断向量

  –最多55个I/O,具有5V耐受能力

  •5通道DMA控制器

  •一个12位1.0µs ADC(最多16个通道)

  –转换范围:0至3.6 V

  –独立模拟电源:2.4 V至3.6 V

  •带报警和定期唤醒的日历RTC

  从停止/待机

  •11个计时器

  –一个16位高级控制计时器,用于

  六通道PWM输出

  –最多七个16位定时器,最多四个

  IC/OC,OCN,可用于红外控制

  译码,译码

  –独立和系统看门狗定时器

  –SysTick计时器

中文参数

商品分类MCU微控制器品牌ST(意法半导体)
封装TSSOP-20

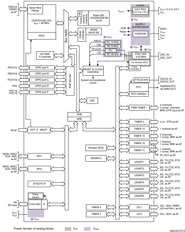
原理图

STM32F030F4P6原理图

STM32F030F4P6原理图

引脚图

STM32F030F4P6原理图

STM32F030F4P6引脚图

封装

STM32F030F4P6封装图

STM32F030F4P6封装

产品制造商介绍

  意法半导体(STMicroelectronics),简称ST,成立于1987年,ST是由意大利的SGS微电子公司和法国Thomson半导体公司合并而成,SGS- THOMSON Microelectronics将公司名称改为意法半导体有限公司。ST总部设在瑞士日内瓦,也是欧洲、中东和非洲地区(EMEA)市场的总部。ST是全球最大的半导体公司之一,2021年营业收入127.61亿美元。ST是全球五大半导体厂家,在很多应用市场居世界领先水平,例如:世界第一大专用模拟芯片和电源转换芯片制造商,世界第一大工业半导体和机顶盒芯片供应商。ST在分立器件、手机相机模块和车用集成电路领域居世界前列。ST以业内最广泛的产品组合著称,凭借多元化的技术、尖端的设计能力、知识产权组合、合作伙伴战略和高效的制造能力,ST体通过提供创新型半导体解决方案为不同电子应用领域的客户提供服务。

10s
温馨提示:
订单商品问题请移至我的售后服务提交售后申请,其他需投诉问题可移至我的投诉提交,我们将在第一时间给您答复
返回顶部