当前位置:首页 > ST意法半导体 > STM32WLE5CCU6 Sub-GHz无线微控制器
型号推荐
作者:万联芯城

提供最新电子元器件知识

电子元器件一站式供应链服务平台

服务热线:4000-306-326

服务时间:09: 00-18: 00

公众号

抖音号

基础介绍

STM32WLE5CCU6

  厂商型号:STM32WLE5CCU6

  品牌名称:ST(意法半导体)

  元件类别:MCU

  封装规格:48-UFQFPN(7x7)

  型号介绍:Sub-GHz无线微控制器

产品描述

  STM32WLE5CCU6远程无线和超低功耗器件嵌入了强大的超低功耗无线电兼容LPWAN无线电解决方案:LoRa®(仅在STM32WLE5xx中可用),(G)FSK, (G)MSK和BPSK。

  STM32WLE5CCU6设计为极低功耗,基于高性能Arm®Cortex®-M4 32位RISC核心,工作频率高达48 MHz。该核心实现了完整的DSP指令和独立的内存保护单元(MPU),增强了应用程序的安全性。

  STM32WLE5CCU6嵌入了高速内存(高达256千字节的闪存,高达64千字节的SRAM),以及广泛的增强I/ o和外围设备。

  STM32WLE5CCU6还为嵌入式闪存和SRAM嵌入了几种保护机制:读出保护、写保护和专有代码读出保护。

  STM32WLE5CCU6提供一个12位ADC,一个12位DAC低功耗采样-保持,两个与高精度参考电压发生器相关的超低功耗比较器。

  STM32WLE5CCU6嵌入一个低功耗RTC,带有一个32位亚秒唤醒计数器、一个16位单通道计时器、两个16位四通道计时器(支持电机控制)、一个32位四通道计时器和三个16位超低功耗计时器。

  STM32WLE5CCU6还嵌入了两个DMA控制器(每个控制器有7个通道),允许在存储器(闪存、SRAM1和SRAM2)和外围设备之间进行任何传输组合,使用DMAMUX1进行灵活的DMA通道映射。

特点

  •频率范围:150mhz ~ 960mhz

  •调制方式:LoRa®,(G)FSK, (G)MSK和

  BPSK

  •RX灵敏度:2-FSK -123 dBm

  (1.2 Kbit/s), LoRa®-148 dBm

  (在10.4千赫,扩频因子12)

  •变送器输出功率高,可编程

  高达+22 dBm

  •变送器输出功率低,可编程

  高达+15 dBm

  •集成无源器件(IPD)

  配套芯片优化匹配,

  滤波和巴伦,都在一个非常紧凑

  解决方案涵盖每个包和每个主

  用例(22 dBm @ 915 MHz,

  14 dBm @ 868 MHz, 17 dBm @ 490 MHz)

  •符合以下无线电频率

  如ETSI EN 300 220,

  En 300 113, En 301 166, FCC CFR 47

  第15,24,90部分和日语ARIB

  标准t30, t-67, t-108

  •与标准或专有兼容

  协议如LoRaWAN®,Sigfox™,

  W-MBus和更多(完全开放的无线

  soc)

  超低功耗平台

  •1.8 V ~ 3.6 V电源

  •-40°C至+105°C的温度范围

  •关机模式:31na (VDD = 3v)

  •待机(+ RTC)模式:

  360 nA (VDD = 3v)

  •Stop2 (+ RTC)模式:1.07µA (VDD = 3 V)

  •主动模式MCU: <72a /MHz (CoreMark®)

  •主动模式RX: 4.82 mA

  •主动模式TX: 15 mA在10 dBm和87 mA

  在20 dBm (LoRa®125 kHz)

中文参数

商品分类无线收发芯片品牌ST(意法半导体)
封装48-UFQFPN(7x7)包装托盘
频率150MHz~960MHz数据速率(最大值)300kbps
功率-输出22dBm电流-传输21mA~120mA
存储容量256kB闪存电压-供电1.8V~3.6V
工作温度-40°C~85°C(TA)安装类型表面贴装型
基本产品编号STM32HTSUS8542.31.0001
类型TxRx+MCU射频系列/标准802.15.4
协议LoRaWAN1.0,Sigfox调制BPSK,GFSK,GMSK,FSK,MSK
灵敏度-148dBm串行接口ADC,GPIO,I2C,SPI,IrDA,UART,USART
电流-接收4.82mAGPIO29
产品应用工业级

环境与出口分类

湿气敏感性等级(MSL)3(168小时)REACH状态非REACH产品
ECCN5A992C

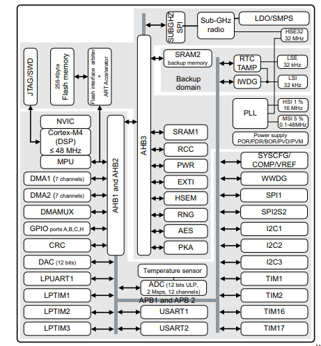
原理图

STM32WLE5CCU6原理图

STM32WLE5CCU6原理图

引脚图

STM32WLE5CCU6原理图

STM32WLE5CCU6引脚图

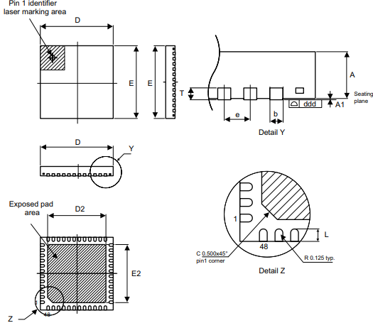
封装

STM32WLE5CCU6封装图

STM32WLE5CCU6封装

丝印

STM32WLE5CCU6丝印图

STM32WLE5CCU6丝印

料号解释

STM32WLE5CCU6料号解释图

STM32WLE5CCU6料号解释

产品制造商介绍

  意法半导体(STMicroelectronics),简称ST,成立于1987年,ST是由意大利的SGS微电子公司和法国Thomson半导体公司合并而成,SGS- THOMSON Microelectronics将公司名称改为意法半导体有限公司。ST总部设在瑞士日内瓦,也是欧洲、中东和非洲地区(EMEA)市场的总部。ST是全球最大的半导体公司之一,2021年营业收入127.61亿美元。ST是全球五大半导体厂家,在很多应用市场居世界领先水平,例如:世界第一大专用模拟芯片和电源转换芯片制造商,世界第一大工业半导体和机顶盒芯片供应商。ST在分立器件、手机相机模块和车用集成电路领域居世界前列。ST以业内最广泛的产品组合著称,凭借多元化的技术、尖端的设计能力、知识产权组合、合作伙伴战略和高效的制造能力,ST体通过提供创新型半导体解决方案为不同电子应用领域的客户提供服务。

10s
温馨提示:
订单商品问题请移至我的售后服务提交售后申请,其他需投诉问题可移至我的投诉提交,我们将在第一时间给您答复
返回顶部