当前位置:首页 > ST意法半导体 > STM32F405VGT6高性能基础系列ARM
型号推荐
作者:万联芯城

提供最新电子元器件知识

电子元器件一站式供应链服务平台

服务热线:4000-306-326

服务时间:09: 00-18: 00

公众号

抖音号

Aug
08

STM32F405VGT6高性能基础系列ARM

基础介绍

STM32F405VGT6
        厂商型号:STM32F405VGT6
  品牌名称:ST(意法半导体)
  元件类别:MCU微控制器
  封装规格:LQFP-100_14x14x05P

产品描述

STM32F405VGT6基于高性能Arm®Cortex®-M4 32位RISC内核,工作频率高达168 MHz。Cortex-M4内核具有浮点单元(FPU)单精度,支持所有Arm单精度数据处理指令和数据类型。它还实现了一套完整的DSP指令和一个增强应用程序安全性的内存保护单元(MPU)。STM32F405VGT6包含高速嵌入式存储器(高达1M字节的闪存,高达192K字节的SRAM)、高达4K字节的备份SRAM,以及连接到两条APB总线、三条AHB总线和一个32位多AHB总线矩阵的一系列增强型I/O和外围设备。

特点

● 核心:Arm®32Cortex®-M4 CPU,带FPU,自适应实时加速器(ART加速器),允许从闪存执行0等待状态,频率高达168 MHz,内存保护单元,210 DMIPS/1.25 DMIPS/MHzDhrystone 2.1)和DSP指令

● 回忆

  高达1M字节的闪存

  高达192+4 KBSRAM,包括64 KBCCM(核心耦合存储器)数据RAM

  512字节OTP内存

  灵活的静态存储器控制器,支持Compact FlashSRAMPSRAMNORNAND存储器

LCD并行接口,8080/6800模式

● 时钟、重置和供应管理

  1.8 V3.6 V应用电源和I/O

  PORPDRPVDBOR

  426兆赫晶体振荡器

  内部16 MHz工厂微调RC1%精度)

  32 kHz振荡器,用于带校准的RTC

  带校准的内部32 kHz RC

● 低功率运行

  睡眠、停止和待机模式

  用于RTCVBAT电源,20×32位备份寄存器+可选的4 KB备份SRAM

3×12位,2.4 MSPS A/D转换器:最多24个通道和7.2 MSPS三重交织模式

2×12D/A转换器

● 通用DMA:具有FIFO和突发支持的16DMA控制器

中文参数

商品分类MCU微控制器品牌ST(意法半导体)
封装LQFP-100_14x14x05P包装托盘
产品应用消费级核心处理器ARMCortex-M4
内核规格32-位速度168MHz
连接能力CANbus,EBI/EMI,I2C,IrDA,LINbus,SPI,UART/USART,USBOTG外设欠压检测/复位,DMA,I2S,LCD,POR,PWM,WDT
I/O数82程序存储容量1MB(1Mx8)
程序存储器类型闪存EEPROM容量-
RAM大小192Kx8电压-供电(Vcc/Vdd)1.8V~3.6V
数据转换器A/D16x12b;D/A2x12b振荡器类型内部
工作温度-40℃~85℃(TA)安装类型表面贴装型
基本产品编号STM32F405HTSUS8542.31.0001

环境与出口分类

湿气敏感性等级(MSL)3(168小时)ECCN3A991A2
RoHS状态符合ROHS3规范REACH状态非REACH产品

原理图

STM32F405VGT6原理图

STM32F405VGT6原理图

引脚图

STM32F405VGT6原理图

STM32F405VGT6引脚图

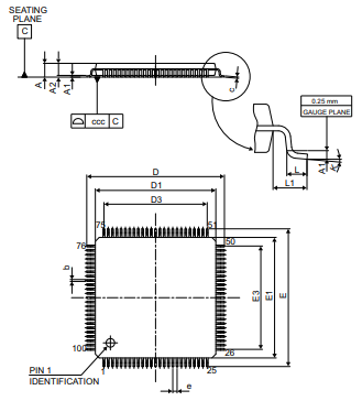
封装

STM32F405VGT6封装图

STM32F405VGT6封装

产品制造商介绍

  意法半导体(STMicroelectronics),简称ST,成立于1987年,ST是由意大利的SGS微电子公司和法国Thomson半导体公司合并而成,SGS- THOMSON Microelectronics将公司名称改为意法半导体有限公司。ST总部设在瑞士日内瓦,也是欧洲、中东和非洲地区(EMEA)市场的总部。ST是全球最大的半导体公司之一,2021年营业收入127.61亿美元。ST是全球五大半导体厂家,在很多应用市场居世界领先水平,例如:世界第一大专用模拟芯片和电源转换芯片制造商,世界第一大工业半导体和机顶盒芯片供应商。ST在分立器件、手机相机模块和车用集成电路领域居世界前列。ST以业内最广泛的产品组合著称,凭借多元化的技术、尖端的设计能力、知识产权组合、合作伙伴战略和高效的制造能力,ST体通过提供创新型半导体解决方案为不同电子应用领域的客户提供服务。

10s
温馨提示:
订单商品问题请移至我的售后服务提交售后申请,其他需投诉问题可移至我的投诉提交,我们将在第一时间给您答复
返回顶部